您当前所在的位置: 学院首页 -> 招生就业 -> 招生专栏 -> 正文

电子pg游戏平台下载电气自动化技术(博众精工订单班)-2026年单招职业技能综合测试A卷

发布日期:2026-03-30   来源:   点击量:


电子pg游戏平台下载电气自动化技术(博众精工订单班)

2026年单招职业技能综合测试A

场次:               工位号:              

注意事项

(1)考核时间为45分钟。请首先按要求在试卷的标封处填写考试场次和工位号。

(2)请仔细阅读各种题目的回答要求,在规定的位置填写答案。

(3)考生在指定的考核场地内进行独立制作与调试,不得以任何方式与他人交流。

(4)考核结束时,提交试题纸,并进行实物演示、功能验证。

一、任务描述

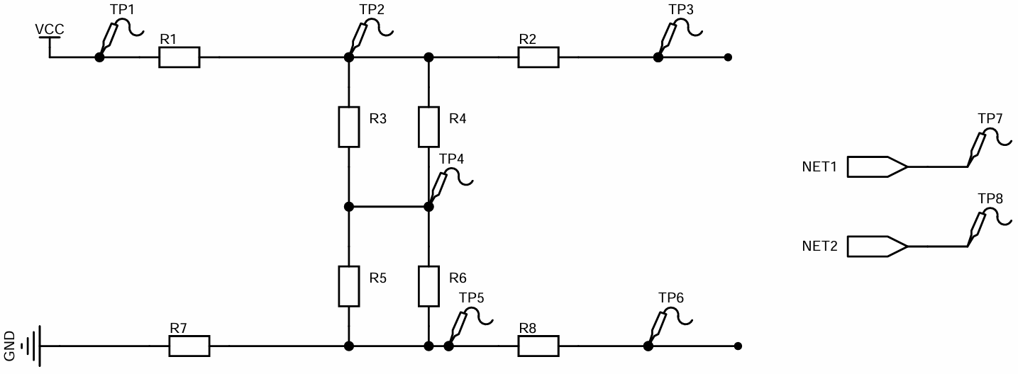
某个电阻网络电路的部分电路原理图如下。R1-R8是电阻,TP1-TP8是方便测试而引出的测试点。VCC和GND是供电电源的正端和负端。

根据要求,使用数字万用表完成以下测量及电路分析。

测试: 关闭电源,完成如下测试

1.测量电路中测试点TP3与GND的电阻值,将结果记录到表格中;

2.测量电路中R8的电阻值,将结果记录到表格中。

测试二:打开电源,完成如下测试

VCC与GND之间的电压为直流电压,NET1和NET2之间为正弦交流信号

1.测量电路中TP2与GND之间的电压,将结果记录到结果记录到表格中;

2.测量测试点TP7与TP8之间的电压,将结果记录到结果记录到表格中。

测试三:打开电源,完成对应电压测试估算电阻

假设电路中R3=R4=10kΩ,并且R5=R6,测量对应电压,根据欧姆定律,计算分析R5的电阻值。

二、测试结果记录

测试步骤

测试记录

得分

测试一

TP3与GND的电阻值为

                   单位        



R8的电阻值为

                   单位          


测试二

TP2与GND的电压为

                   单位          



TP7与TP8的电压为

                   单位          


测试三

R5的电阻为

                 单位            

(请记录必要的测试结果及分析过程)